GB-S系列精密計量泵
以下為系列產品選型范圍,具體型號參考性能參數表
流量范圍: 0-3200(L/h)
壓力范圍: 0-0.5(Mpa)
驅動系統: 兩相、三相標準電機或防爆電機
泵頭材質:SUS304, SUS316, PVC, PTFE
常規產品全部現貨供應,縮短了交貨期。
應用領域:廣泛應用于石油化學工業、醫藥、飲食、火電廠、核電、環境保護、礦山、國防等科研和生產部門。
產品介紹
產品介紹
流量范圍:0-3200 L/H
壓力范圍: 0-0.5MPa
電機功率: 1.5KW,380V / 400V, 50/60Hz
驅動系統: 兩相、三相標準電機或防爆電機
材料
泵頭: SUS304, SUS316, PVC, PTFE
隔膜: PTFE
單向閥: SUS304, SUS316, PVC, PTFE
閥球: ZrO2, SUS304, SUS316, 陶瓷
工作條件
環境溫度: -30℃ --- 60℃
電機: 兩相、三相標準電機或防爆電機
功率: 1.5KW,380V / 400V, 50/60Hz
防護等級: IP55
技術參數
型 號 | 流量 L/h | 壓力 MPa | 泵速 min-1 | 膜片直徑 mm | 電機 功率 kw | 進出口徑 連接方式 |
PVC | PTFE | 304/316 |
GB-S1300/0.5 | 1300 | 0.5 | 96 | 148 | 0.75 | DN25 接管套 膠接 | DN25 PVC 法蘭 | Rc1″ 內螺紋 |
GB-S1700/0.5 | 1700 | 0.5 | 144 | 148 | 1.5 |
GB-S2000/0.4 | 2000 | 0.4 | 144 | 148 |
GB-S2800/0.3 | 2800 | 0.3 | 144 | 185 | DN40 接管套 膠接 | DN40 PVC 法蘭 | Rc1″ 螺紋 |
GB-S3600/0.3 | 3600 | 0.3 | 144 | 185 |
特點
1. 操作安全,機械驅動隔膜。
2. 密封性好,無泄漏,裝配維修簡單安全。
3.它可以傳輸高粘度介質,腐蝕性液體和危險性的化學品。
4.流量調節能夠調節沖程長度或電機頻率。
5.隔膜為多層復合結構壓制而成,第一層超韌性Teflon耐酸薄膜,第二層EPDM彈性橡膠,第三層3.0mmSUS304支撐鐵芯,第四層采用強化尼龍纖維補,第五層采用EPDM彈性橡膠完全包履,可有效提出升隔膜適用壽命。
應用
計量泵廣泛應用于石油化工、化工、電力、冶金、采礦、造船、輕工、農業、國防等工業。
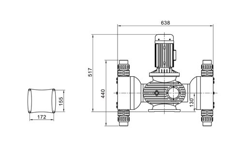
尺寸

因產品生產批次、型號不同,產品圖片及外形尺寸等僅供參考,詳情可聯系我們的銷售人員